Product

Feedback

7210-B

Description:
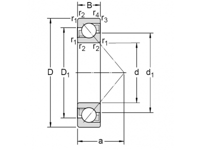
d(mm):100
D(mm):180
B(mm):34

χ

This item was already in your inquiry basket

Enter inquiry basket now.

  • Product Details
  • Make an Inquiry
Angular contact ball bearings can accommodate axial loads acting in one direction only . Under radial loads a force acting in the axial direction is produced in the bearing, and this force must be counteracted. Consequently the bearing is normally adjusted against a second bearing.

Partners

prev
next