Product
-
KAIFU Bearings
- Kaifu Linear ball bearing
- KAIFU Deep Groove Ball Bearing
- KAIFU Eccentric Bearing
- KAIFU Spherical Roller Bearing
- KAIFU Rod End Bearing
- KAIFU Cylindrical Roller Bearing
- KAIFU Tapered Roller Bearings
- KAIFU Needle Roller Bearings
- KAIFU Self-Aligning Ball Bearings
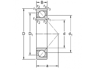
- KAIFU Angular Contact Ball Bearings
- KAIFU Spherical Plain Bearings
- KAIFU Thrust Ball Bearings
- NACHI Bearings
- NSK Bearings
- NTN Bearings
- TIMKEN Bearings
- FAG/INA Bearings
- Product Details
- Make an Inquiry
Angular contact ball bearings can accommodate axial loads acting in one direction only . Under radial loads a force acting in the axial direction is produced in the bearing, and this force must be counteracted. Consequently the bearing is normally adjusted against a second bearing.
Partners
prev
next
















